Modification longue pose d'une Webcam TouCam Pro
Posté : 13 septembre 2015, 13:45
Le temps est venu de franchir le pas pour modifier ma TouCam pro en longue pose. Cette nécessité vient de son utilisation en caméra d'autoguidage et donc de pouvoir avoir des temps de pose supérieurs à la seconde pour voir des étoiles "guide" peu lumineuses.
Après une lecture approfondie de l'état de l'art sur ce type de modification, j'ai retenu les pages suivantes:
Modification en longue pose:
http://nexstar4.free.fr/astro_bidouilles_webcam.htm
http://www.astrosurf.com/denisjarry/Tou ... 20II01.htm
http://micromegas.over-blog.com/article ... 13073.html
http://micromegas.over-blog.com/article ... 99836.html
http://www.lesperseides.com/modules/wfd ... d=5&lid=12
modification de l'amplification du capteur:
http://cosmicshed.blogspot.fr/2007/08/i ... ation.html
http://www.lesperseides.com/modules/wfd ... d=5&lid=12
Une note de Philips bien interessante: Datasheet des composants principaux:
Digital PC-camera signal processor: VERTICAL DRIVER FOR CCD SENSOR: CCD: Maintenant, en avant pour les modifications (boitier, longue pose, ampli, etc.).
Je pars de la webcam TouCam Pro suivante: le matériel suivant va être utilisé pour faire cette modification:
Modification du boitier:
- une petite boite de conserve type "boite de thon" (diamètre 85mm, hauteur 45mm) Modification du refroidissement des composants internes de la webcam:
- un radiateur alu obtenu dans une vieille alimentation de type PC. - un radiateur à ailettes (45mm x 35 mm). - de la pâte thermique.
- un ventillateur prévu pour refroidir les processeurs sur un PC.
Modification longue pose:
- une petite plaque pastillé (70mm x 50mm) - un CD4011 avec son support 14 broches
- 1 résistance de 10K
- 1 résistance de 15K
- 1 diode 1N4148
- 1 transistor NPN 2N2222
- du fil émaillé de 0.2mm
Modification amplification CCD:
- 2 résistance de 10K
- 2 transistors NPN 2N2222
- 1 résistance variable multi tours de 100K
- du fil émaillé de 0.2mm
Phase 1:
Adaptation du boitier de la webcam à son nouveau boitier:
Prendre la boite de conserve et faire en son centre un trou de 12mm de diamètre pour laisser passer l'objectif ou l'adaptateur de 31.75mm (1"25) Retirer la partie pivotante (support) de la webcam. Maintenant nous allons éliminer les parties du boitier de la webcam qui ne servent à rien et qui ne rentrent pas dans la boite de conserve. Résultat: Phase 2:
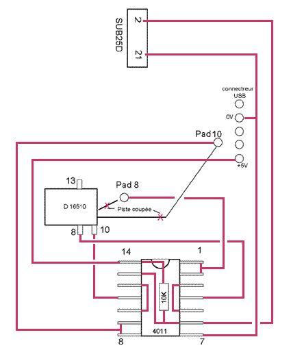
Assemblage du CD4011 et de ses composants annexe sur la plaque pastillée : J'ai utilisé ce schéma pour cette modification longue pose. La commande sera envoyée via un adaptateur USB/Série par l'intérmédiaire de la ligne de commande RTS Phase 3:
Adaptation pour le système de refroidissement
L'adaptation du boitier de la webcam et de la plaque pastillée pour le passage du système de refroidissement nécessite de repérer précisement l'emplacement du microcontroleur (SAA) de la webcam et de découper un carré de 20mm x 20mm. Phase 4:
Réalisation du système de refroidissement principal
Mesurer la profondeur entre la plaque pastillée et le microctroleur. Pour ma part, j'ai environ 10.5mm.
Découpé un cube d'aluminium ( 16mm x 16mm x 11mm) dans le radiateur en alu.
Visser le cube d'alu au radiateur à ailette en insérant entre les deux de la pate thermique. Phase 5:
Mise en place des connecteurs
Connecteur USB Connecteur de commande longue pose et ampli off Résultat final:
Après une lecture approfondie de l'état de l'art sur ce type de modification, j'ai retenu les pages suivantes:
Modification en longue pose:
http://nexstar4.free.fr/astro_bidouilles_webcam.htm
http://www.astrosurf.com/denisjarry/Tou ... 20II01.htm
http://micromegas.over-blog.com/article ... 13073.html
http://micromegas.over-blog.com/article ... 99836.html
http://www.lesperseides.com/modules/wfd ... d=5&lid=12
modification de l'amplification du capteur:
http://cosmicshed.blogspot.fr/2007/08/i ... ation.html
http://www.lesperseides.com/modules/wfd ... d=5&lid=12
Une note de Philips bien interessante: Datasheet des composants principaux:
Digital PC-camera signal processor: VERTICAL DRIVER FOR CCD SENSOR: CCD: Maintenant, en avant pour les modifications (boitier, longue pose, ampli, etc.).
Je pars de la webcam TouCam Pro suivante: le matériel suivant va être utilisé pour faire cette modification:
Modification du boitier:
- une petite boite de conserve type "boite de thon" (diamètre 85mm, hauteur 45mm) Modification du refroidissement des composants internes de la webcam:
- un radiateur alu obtenu dans une vieille alimentation de type PC. - un radiateur à ailettes (45mm x 35 mm). - de la pâte thermique.
- un ventillateur prévu pour refroidir les processeurs sur un PC.
Modification longue pose:
- une petite plaque pastillé (70mm x 50mm) - un CD4011 avec son support 14 broches
- 1 résistance de 10K
- 1 résistance de 15K
- 1 diode 1N4148
- 1 transistor NPN 2N2222
- du fil émaillé de 0.2mm
Modification amplification CCD:
- 2 résistance de 10K
- 2 transistors NPN 2N2222
- 1 résistance variable multi tours de 100K
- du fil émaillé de 0.2mm
Phase 1:
Adaptation du boitier de la webcam à son nouveau boitier:
Prendre la boite de conserve et faire en son centre un trou de 12mm de diamètre pour laisser passer l'objectif ou l'adaptateur de 31.75mm (1"25) Retirer la partie pivotante (support) de la webcam. Maintenant nous allons éliminer les parties du boitier de la webcam qui ne servent à rien et qui ne rentrent pas dans la boite de conserve. Résultat: Phase 2:
Assemblage du CD4011 et de ses composants annexe sur la plaque pastillée : J'ai utilisé ce schéma pour cette modification longue pose. La commande sera envoyée via un adaptateur USB/Série par l'intérmédiaire de la ligne de commande RTS Phase 3:
Adaptation pour le système de refroidissement
L'adaptation du boitier de la webcam et de la plaque pastillée pour le passage du système de refroidissement nécessite de repérer précisement l'emplacement du microcontroleur (SAA) de la webcam et de découper un carré de 20mm x 20mm. Phase 4:
Réalisation du système de refroidissement principal
Mesurer la profondeur entre la plaque pastillée et le microctroleur. Pour ma part, j'ai environ 10.5mm.
Découpé un cube d'aluminium ( 16mm x 16mm x 11mm) dans le radiateur en alu.
Visser le cube d'alu au radiateur à ailette en insérant entre les deux de la pate thermique. Phase 5:
Mise en place des connecteurs
Connecteur USB Connecteur de commande longue pose et ampli off Résultat final: